| 机械技术数据 | |
|---|---|
| 外壳结构 | 圆柱螺纹结构 |
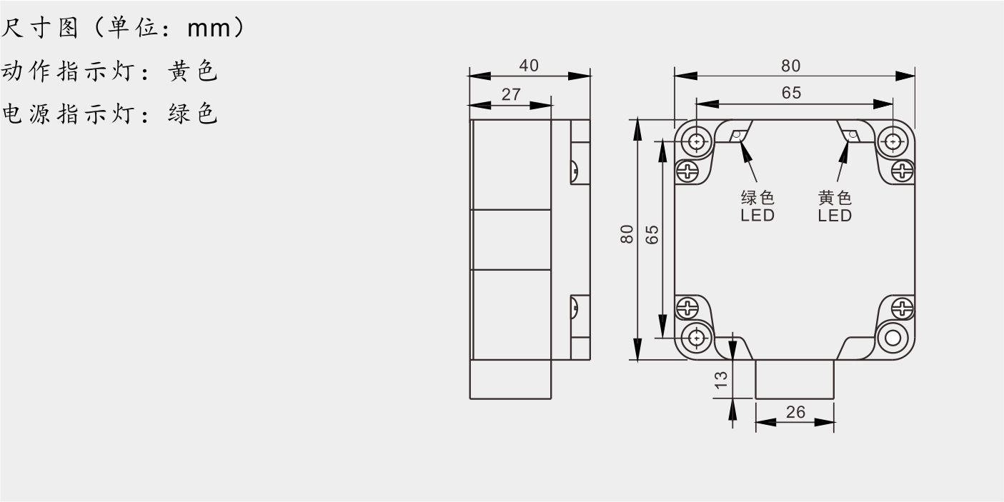
| 尺寸 | 80x80x40mm |
| 外壳材料 | 塑料 |
| 检测面材料 | 塑料 |
| 电气特征 | |
|---|---|
| 安装方式 | 非齐平安装 |
| 工作电压 | 10-30V DC |
| 电流消耗 | ≤15mA |
| 极性反接保护 | 内置 |
| 上电脉冲保护 | 内置 |
| 负载短路保护 | 内置 |
| 连接形式 | 4端子连接器 |
| 输出 | |
|---|---|
| 输出方式 | PNP |
| 输出状态 | 常开和常闭 |
| 导通压降 | ≤2V |
| 电流负载 | ≤200mA |
| 输出漏电流 | ≤0.01mA |
| 开关频率 | 150Hz |
| 感应范围 | |
|---|---|
| 标准检测物 | 210×210×1mm(铁ST37) |
| 感应距离Sn | 70.0mm |
| 实际感应距离Sr | 70.0mm±10% |
| 显示 | |
|---|---|
| 开关状态显示LED | 动作指示灯(黄色);电源指示灯(绿色) |
| 精度/偏差 | |
|---|---|
| 修正系数 | 衰减系数为1 |
| 迟滞(Sr的百分比) | 1...15% |
| 重复精度(Sr的百分比) | ≤±5% |
| 温度漂移(Sr的百分比) | ≤10% |
| 工作条件 | |
|---|---|
| 环境温度 | -25~+80℃ |
| 外壳防护等级 | IP67 |
| 认证/绝缘阻抗 | |
|---|---|
| EMC电磁兼容性 | 符合标准EN60947-5-2 |
| 绝缘阻抗 | 50MΩ以上(DC 500V兆欧表),充电部整数和外壳之间 |
| 认证 | CE |
| 配件/重量 | |
|---|---|
| 包装单位 | 1个 |
| 重量 | 395g |
接线图接线图
尺寸图
安装图